
|
型號
|
額定流量
L/min |
額定壓力
MPa |
額定轉(zhuǎn)速
r/min |
容積效率
ηv% |
總效率
ηt% |
進(jìn)油口
|
出油口
|
驅(qū)動功率
kw |
|
DCB-B160
|
160
|
2.5
|
1450
|
≥90
|
≥80
|
Z2"
|
Z11/2"
|
8.2
|
|
DCB-B200
|
200
|
10.1
|
||||||
|
DCB-B250
|
250
|
13
|
||||||
|
DCB-B300
|
300
|
15
|
||||||
|
DCB-B350
|
350
|
17
|
||||||
|
DCB-B400
|
400
|
20
|
||||||
|
DCB-B500
|
500
|
Z2"
|
Z2"
|
24
|
| 型號 | 額定流量 L/min |
額定壓力 MPa |
額定轉(zhuǎn)速 r/min |
容積效率 ηv% |
總效率 ηt% |
進(jìn)油口 | 出油口 | 驅(qū)動功率 kw |
|
DCB-B600 |
600 |
2.5 |
1450 |
≥90 |
≥80 |
Z21/2" |
Z21/2" |
29 |
|
DCB-B700 |
700 |
32 |
||||||
|
DCB-B800 |
800 |
37 |
||||||
|
DCB-B900 |
900 |
42 |
||||||
|
DCB-B1000 |
1000 |
49 |
|
型號
|
DCB-B160
|
DCB-B200
|
DCB-B250
|
DCB-B300
|
DCB-B350
|
DCB-B400
|
DCB-B500
|
|
H
|
186
|
210
|
228
|
245
|
263
|
280
|
316
|
|
型號 |
DCB-B600 |
DCB-B700 |
DCB-B800 |
DCB-B900 |
DCB-B1000 |
|
H |
355 |
375 |
395 |
415 |
435 |
|
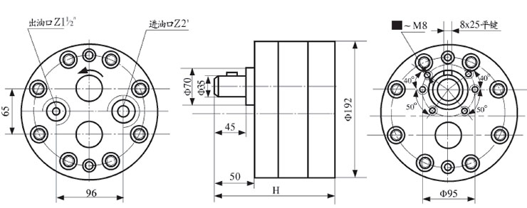
DCB-B160-500低噪音大流量液壓齒輪泵安裝尺寸圖
|
|
|
|
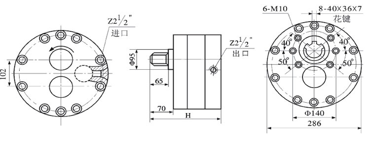
| DCB-B600-1000低噪音大流量液壓齒輪泵安裝尺寸圖 |
|

冀公網(wǎng)安13098102000513號